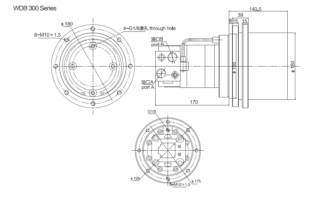
1. কাঠামোগত বৈশিষ্ট্য
প্ল্যানেটারি রিডুসার ট্র্যাক করা এবং চাকাযুক্ত ড্রাইভ যানবাহন এবং সমস্ত ধরণের স্ব-চালিত যন্ত্রপাতি, এবং উইঞ্চ বা ড্রাম মেশিন এবং অন্যান্য উত্তোলন যন্ত্রপাতিগুলির জন্য প্রযোজ্য। বিশেষ অরবিট হাইড্রোলিক মোটর এবং কমপ্যাক্ট স্ট্রাকচার ডিজাইন ব্যবহারের কারণে, মোটরটি ট্র্যাক এবং চাকার প্রশস্ত খাঁজে বা উইঞ্চ এবং ড্রাম মেশিনের ড্রামের ভিতরে রাখা যেতে পারে।
সংক্ষিপ্ত ডিজাইন করুন, স্থান সংরক্ষণ করুন, পুরো ইনস্টলেশনটি সহজ, মোটরটি খোলা এবং বন্ধ জলবাহী সার্কিট সিস্টেমের জন্য প্রযোজ্য।
প্ল্যানেটারি রিডুসারগুলি স্ব-চালিত সরঞ্জামগুলিতে ব্যাপকভাবে ব্যবহৃত হয়, যেমন নির্মাণ যন্ত্রপাতি, উত্তোলন যন্ত্রপাতি, রাস্তার যন্ত্রপাতি যানবাহন, হ্যান্ডলিং যন্ত্রপাতি, কৃষি যন্ত্রপাতি, খনির যন্ত্রপাতি, স্যানিটেশন যন্ত্রপাতি, কাঠের যন্ত্রপাতি ইত্যাদি। এটি উইঞ্চ এবং স্বয়ংক্রিয় ইঞ্জিনের হাইড্রোস্ট্যাটিক ড্রাইভ সিস্টেমেও ব্যবহৃত হয়।
বৈশিষ্ট্য:
•একটি বিশেষ সিলিং সিস্টেম। ঘূর্ণায়মান বডি এবং স্থির অংশের মধ্যে রেডিয়াল এবং অক্ষীয় সীলের জন্য অনন্য সমন্বয় সীল নকশা
•অন্তর্নির্মিত মাল্টি-ডিস্ক ব্রেক। স্প্রিং-লোডেড ব্রেক, হাইড্রোলিক রিলিজ ব্রেকিং ফোর্স, হাইড্রোলিক সিস্টেমের কাজের চাপ প্রয়োজনীয় চাপে কমে গেলে নিরাপদে চলাচল বন্ধ করতে পারে
•সহজ গঠন, ইনস্টল করা সহজ

2.অপারেটিং গাইড
জলবাহী সিস্টেমটি সর্বোত্তম কাজের অবস্থায় কাজ করার জন্য, সাধারণ প্রয়োজনীয়তাগুলি হল:
- হাইড্রোলিক তেলের ধরন: HM খনিজ তেল (ISO 6743/4) (GB/T 763.2-87) বা HLP খনিজ তেল (DIN 1524)
- তেলের তাপমাত্রা: -20°C থেকে 90°C, প্রস্তাবিত পরিসীমা: 20°C থেকে 60°C
- তেলের সান্দ্রতা: 20-75 মিমি²/সেকেন্ড। কাইনেমেটিক সান্দ্রতা 42-47 mm²/s তেল তাপমাত্রা 40°C
- তেল পরিচ্ছন্নতা: তেল পরিস্রাবণের সঠিকতা 25 মাইক্রন, এবং কঠিন দূষণের মাত্রা 26/16 এর বেশি নয়
সর্বোত্তম কাজের অবস্থায় রিডুসার কাজ করার জন্য, সাধারণ প্রয়োজনীয়তাগুলি হল:
•লুব্রিকেটিং তেলের ধরন: CK220 মিনারেল গিয়ার অয়েল (ISO 12925-1) (GB/T 5903-87)
•তেলের সান্দ্রতা: কাইনেমেটিক সান্দ্রতা 220 mm²/s তেল তাপমাত্রা 40°C
•রক্ষণাবেক্ষণ চক্র: রক্ষণাবেক্ষণের জন্য 50-100 ঘন্টা প্রথম ব্যবহারের পরে, প্রতিটি কাজের পরে রক্ষণাবেক্ষণের জন্য 500-1000 ঘন্টা
•প্রস্তাবিত: MOBILE GEAR630, ESSO Spartan EP220, SHELL OMALA EP220

3. তেল পূরণ/পরিবর্তন করুন
রিডুসারটি লুব্রিকেটিং তেল দিয়ে ভরা হয় না। ভরাট পদ্ধতি নিম্নরূপ,
•ছবিতে দেখানো হিসাবে, দুটি তেল পোর্ট বোল্ট সরান এবং রিডুসারে তেলটি নিঃসরণ করুন। লুব্রিক্যান্ট সরবরাহকারী দ্বারা সরবরাহিত ডিটারজেন্ট দিয়ে গিয়ার গহ্বর পরিষ্কার করুন।
•ছবিতে দেখানো হয়েছে, উপরের গর্তে তেল দিন যতক্ষণ না ওভারফ্লো গর্ত থেকে তেল বেরিয়ে আসে। দুটি বোল্ট শক্তভাবে সিল করুন।
